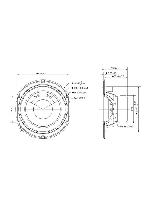
Woofer Type: Midwoofer
Nominal Diameter: 5-1/4”
Power Handling (RMS): 60 Watts
Power Handling (max): 110 Watts
Impedance (Z): 8 Ohms
Sensitivity: 84.5 dB 2.83V/1m
Frequency Response: 50 to 5,000Hz
Voice Coil Diameter: 1"
DC Resistance (Re): 6.1 ohms
Voice Coil Inductance (Le): 0.37 mH
Resonant Frequency (Fs): 57 Hz
Mechanical Q (Qms): 3.6
Electromagnetic Q (Qes): 0.7
Total Q (Qts): 0.59
Diaphragm Mass Inc. Airload (Mms): 9.3g
Mechanical Compliance of Suspension (Cms): 0.83 mm/N
Surface Area of Cone (Sd): 86.6 cm²
BL Product (BL): 5.36 Tm
Compliance Equivalent Volume (Vas): 0.31 ft.³
Maximum Linear Excursion (Xmax): 3.46 mm
Cone / Diaphragm Material: Coated Paper
Surround Material: Rubber
Basket / Frame Material: Steel
Magnet Material: Ferrite
Overall Outside Diameter: 5.98"
Overall Depth: 2.23"
Baffle Cutout Diameter: 4.61"
# Mounting Holes: 6